連續可變阻尼控制懸架控制系統又稱CDC(Continuous Damping Control)懸架控制系統,屬于半主動懸架控制系統,其按照路面情況和行駛條件,利用電磁閥連續調節減振器的阻尼,以確保最佳的操控穩定性和乘坐舒適性。該懸架控制系統在奇瑞瑞麒G6轎車及別克2009款君越轎車上有所應用。
1 CDC懸架控制系統組成
如圖1所示,CDC懸架控制系統主要由4個帶CDC電磁閥的CDC減振器(左前、右前、左后、右后帶CDC電磁閥的減振器)、3 個車身垂直加速度傳感器(左前、右前、左后車身垂直加速度傳感器)、2個車輪垂直加速度傳感器(左前、右前車輪垂直加速度傳感器)及CDC懸架控制單元等組成。
圖1 CDC懸架控制系統的組成
瑞麒G6轎車的2個前車身垂直加速度傳感器分別位于前風窗玻璃下飾板下部左右兩側(圖2),左后車身垂直加速度傳感器和CDC懸架控制單元位于行李箱左側護板內(圖3),2個車輪垂直加速度傳感器分別位于左右兩側前CDC減振器下部(圖4)。
圖2 瑞麒G6轎車前車身垂直加速度傳感器安裝位置
圖3 瑞麒G6轎車左后車身垂直加速度傳感器和CDC懸架控制單元安裝位置
圖4 瑞麒G6轎車車輪垂直加速度傳感器安裝位置
2009款君越轎車的2個前車身垂直加速度傳感器分別位于左右兩側前減震器上方(圖5),左后車身垂直加速度傳感器位于后排座椅左側靠背后方(圖6),2個車輪垂直加速度傳感器分別位于左右兩側前CDC減振器下部(圖7),CDC懸架控制單元位于行李箱左側飾板內(圖8)。

圖5 2009款君越轎車前車身垂直加速度傳感器安裝位置
圖6 2009款君越轎車左后車身垂直加速度傳感器安裝位置
圖7 2009款君越轎車車輪垂直加速度傳感器安裝位置
圖8 2009款君越轎車CDC懸架控制單元安裝位置
2 CDC懸架控制系統的工作原理
2.1 CDC減振器的工作原理
CDC減振器與常規減振器的區別在于,在上腔和補償腔間增加了一個中間腔和CDC電磁閥,配合流通閥、伸張閥及壓縮閥,使一部分油液可以通過中間腔從上腔流向補償腔,通過控制CDC電磁閥的工作電流改變節流通道的大小,達到對伸張和壓縮時的阻尼進行連續調節。
如圖9所示,CDC減振器的工作過程分為拉伸行程和壓縮行程,具體工作原理如下。
(1)伸張行程。活塞桿相對腔體向上運動,上腔體積減小,上腔和中間腔油壓增大。油液流動路徑分3路:上腔油液推開活塞總成上的伸張閥,流入下腔;由于活塞桿占有一定空間,自上腔流入的油液不足以充滿下腔容積的增加,因此補償腔油液推開底閥總成上的補償閥,流入下腔;中間腔的油液通過CDC電磁閥控制的節流通道流入補償腔。當活塞桿與腔體的相對速度較小時,油壓不足以克服拉伸閥彈簧預緊力,拉伸閥關閉;當油壓升高到足夠克服拉伸閥彈簧預緊力時,拉伸閥開啟。
(2)壓縮行程。活塞桿相對腔體向下運動,下腔體積減小,下腔油壓增大。由于流通閥開啟壓力小,僅起到單向閥的作用,因此下腔與上腔壓力相差不大。油液流動路徑分3路:下腔油液通過活塞總成上的流通閥閥流入上腔;下腔油液通過底閥總成上的壓縮閥流入補償腔;中間腔的油液通過CDC電磁閥控制的節流通道流入補償腔。當活塞桿與腔體的相對速度較小時,油壓不足以克服壓縮閥彈簧預緊力,壓縮閥關閉;當壓力升高到足夠克服壓縮閥彈簧預緊力時,壓縮閥開啟。
圖9 CDC懸架控制系統減振器的工作原理
2.2 CDC懸架控制系統的工作原理
CDC懸架控制單元對CDC減振器的控制兼顧了車輛的操作安全性和乘坐舒適性。如圖10所示,CDC懸架控制單元根據3 個車身垂直加速度傳感器信號和2個車輪垂直加速度傳感器信號來評估車身振動情況和CDC減振器速率,從而確定每一個CDC電磁閥的工作電流,對不同的車身動作進行調整,同時CDC懸架控制單元根據轉向盤轉角、車速、加速踏板位置和制動開關信號來判斷駕駛人意圖,從而在極端工況下(高速轉彎、急加速、緊急制動等)限制CDC電磁閥的最大工作電流,以確保安全。
圖10 CDC懸架控制系統的電控原理
車身垂直加速度傳感器和車輪垂直加速度傳感器均為3根導線,分別為5 V參考電源線、信號線和搭鐵線。車身垂直加速度傳感器和車輪垂直加速度傳感器的信號范圍均為0.5 V~4.5 V。
CDC懸架控制單元通過占空比信號控制電磁閥的工作電流,并通過檢測CDC電磁閥的實際工作電流實現閉環控制。CDC電磁閥的電流范圍為0 A~1.6 A。CDC電磁閥的工作電流越大,對應的阻尼越小;CDC電磁閥的工作電流越小,對應的阻尼越大。CDC電磁閥可在幾毫秒內回應CDC懸架控制單元的指令。
CDC懸架控制系統有普通、舒適和運動3種工作模式,可以通過模式開關進行模式選擇。普通模式時,阻尼在最大阻尼范圍調節;舒適模式時,要求緩慢衰減車身振動,阻尼在低阻尼范圍調節;運動模式時,要求迅速衰減車身振動,阻尼在高阻尼范圍調節。當CDC懸架控制系統失效時,阻尼處于最高狀態,以保證車輛行駛時的安全性。
3 CDC懸架控制系統的故障診斷
當CDC懸架控制系統出現故障時,瑞麒G6轎車儀表上的ECS(Electronic Control Suspension)報警燈會點亮,而2009款君越儀表上無與CDC懸架控制系統相關的報警燈,但駕駛人信息中心顯示器上會提示“請檢修懸掛系統(SERVICE SUSPENSION SYSTEM)”(圖11)。
圖11 2009款君越轎車CDC懸架控制系統的故障提示
CDC懸架控制系統出現故障時,CDC懸架控制單元內一般會存儲相應的故障代碼,而故障大致可歸為4類。
(1)電源故障。包括CDC懸架控制系統的12 V工作電源故障(小于9 V或大于16 V),車身垂直加速度傳感器和車輪垂直加速度傳感器5 V參考電源故障(小于4.5 V或大于5.5 V)。如2009款君越轎車故障代碼C0870 03,其含義為左前輪垂直加速度傳感器 5 V參考電源對搭鐵短路。
(2)傳感器輸出信號故障。包括車身垂直加速度傳感器和車輪垂直加速度傳感器輸出信號電壓過高(大于4.5 V)、過低(小于0.5 V)或失真(在顛簸路面以超過30 km/h車速行駛時,傳感器信號固定不變)。如2009款君越轎車故障代碼C0670 02,其含義為左前輪垂直加速度傳感器信號對搭鐵短路。
(3)執行器故障。包括CDC電磁閥不工作時,電源線上的電壓過大,以及CDC電磁閥工作時,CDC電磁閥的實際電流與指令電流不符。如2009款君越轎車故障代碼C0575 0F,其含義為左前CDC電磁閥電路信號異常。
(4)通訊故障。主要是通訊線路故障或DCD懸架控制模塊損壞。如2009款君越轎車故障代碼C0000 71,其含義為車速信息無效數據。
對于存有當前故障代碼的車輛,重點檢查故障代碼所提示部件的線路及導線連接器是否斷路、對搭鐵或電源短路,尤其要檢查導線連接器的端子是否彎曲及金屬孔是否前移、后退等,必要時可以脫開相關部件的導線連接器,觀察原來的當前故障代碼是否變為歷史故障代碼。對于存有偶發性故障代碼的車輛,如果故障現象不好再現,可以采用敲擊部件、抖動線束的方法進行檢查,若偶發性故障代碼提示車輪垂直加速度傳感器或前DCD電磁閥電路有故障,還可左右轉動轉向盤進行檢測,因為此處的線束受轉向的影響較大。
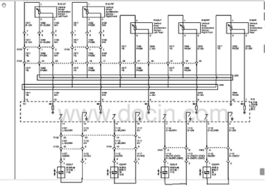
在診斷CDC懸架控制系統的過程中,有時必須參考CDC懸架控制系統電路才好下手,為此筆者整理了瑞麒G6轎車CDC懸架控制系統電路(圖12)和2009款君越轎車CDC懸架控制系統電路(圖13),以供廣大維修人員參考。
圖12 瑞麒G6轎車CDC懸架控制系統電路
圖13 2009款君越轎車CDC懸架控制系統電路
(收稿日期:2013-11-28)